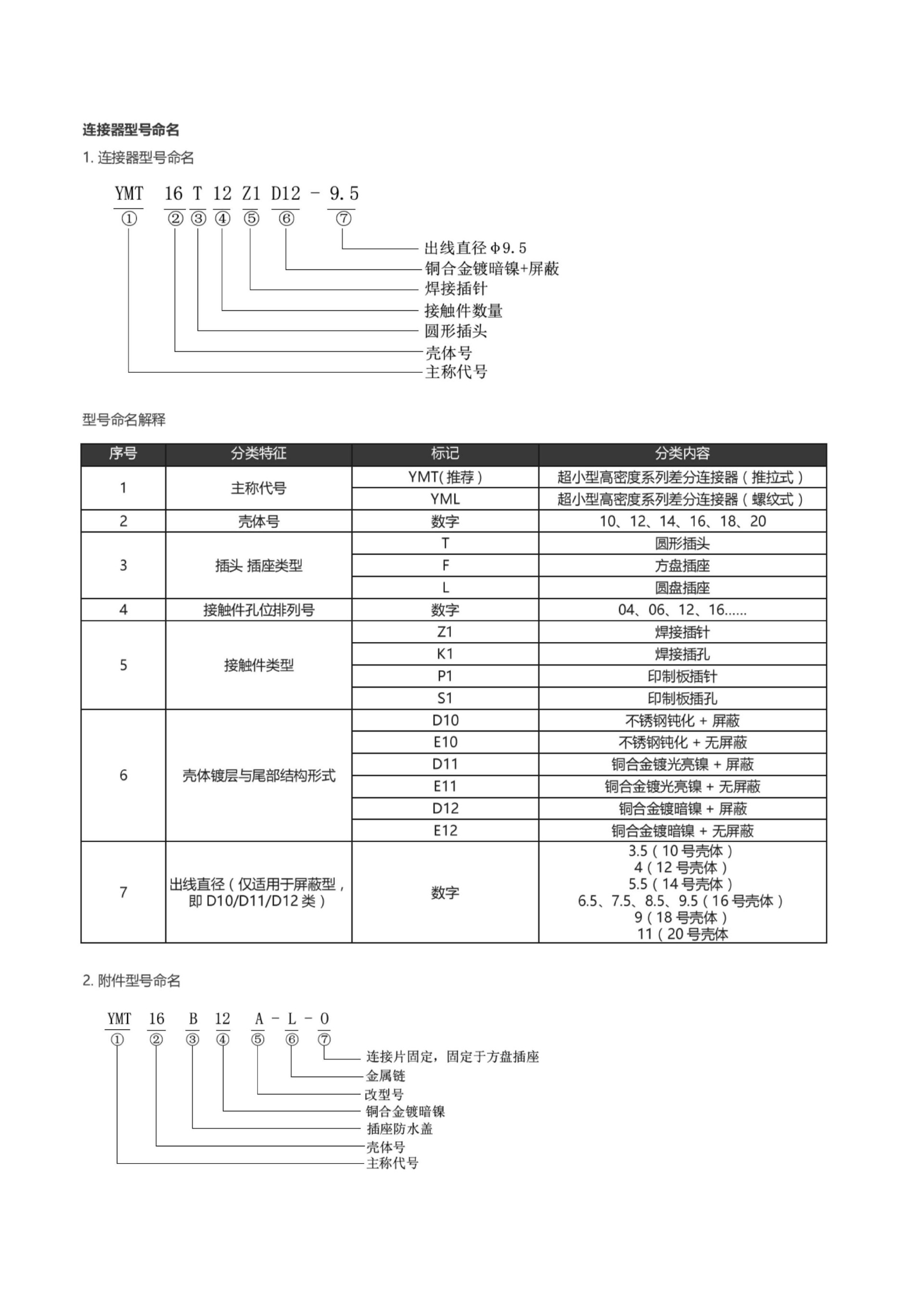
产品介绍
YMT系列超小型高密度差分连接器简介
超小型高密度系列差分连接器用于千兆以太网传输系统,采用推拉或螺纹连接。该系列连接器具有体积小、高密度、高可靠、 防转防误插、360°屏蔽等特点。
多种壳体号,不同接点满足不同需求;
接触件焊接或板接,附件多样化,满足不同线径需求;
推拉式连接具有快速插拔与自锁紧功能;
100%防斜插;
优异的屏蔽性能,实现圆周360°屏蔽;
特性阻抗:100±150;
满足千兆以太网传输。
主要技术性能
机械寿命:500次插拔循环
振动:正弦振动频率10~2000Hz加速度147m/s²
冲击:11ms 半正弦波峰值加速度490 m/s²
耐电压:500V(常温状态)
绝缘电阻:≥5000MΩ
使用温度: -65℃~+175℃
相对湿度:潮湿:40±2℃,相对湿度90%~95%,240h
工作气压:4.39KPa~101.33KPa
中性盐雾:5%NaCl雾气中,不锈钢1000h, 铜合金500h
特性阻抗:100±15Ω
传 输 速 率 : 满 足 IEEE802.3ab,Sec40.6.1.2.2 和 40.6.1.2.3的要求,产品能够满足转接4次,传输94.6米 后各项指标仍有较大余量。


















